
Las electroválvulas sirven como elementos de conmutación para la apertura y el cierre de las válvula o actúan de interfaz entre el nivel de mando eléctrico y el accionamiento neumático.
Las electroválvulas de SAMSON se caracterizan por una elevada fiabilidad de operación y un consumo de energía mínimo. La electroválvula Tipo 3969 no tiene consumo de aire y por lo tanto es una solución particularmente eficiente desde el punto de vista energético.
Las electroválvulas SAMSON se suministran con rosca G (Whitworth) o con rosca NPT (norma National Pipe Threat).
Las electroválvulas cumplen con los requerimientos de alta calidad y son adecuadas para su uso en sistemas instrumentados de seguridad SIL 3 (configuración redundante) observando los requisitos de la IEC 61511 y de la tolerancia de fallos de Hardware.
En los sistemas instrumentados de seguridad las electroválvulas se utilizan a menudo en configuraciones redundantes. De esta forma, si una electroválvula falla, la acción de seguridad del accionamiento sigue estando garantizada por una segunda electroválvula. Para esta configuración, SAMSON dispone de una placa redundante, con la que es posible conectar dos electroválvulas en serie o en paralelo sin ser necesario ningún tubeado adicional. Para ello se fijarán las electroválvulas a través de la interfaz NAMUR a la derecha y a la izquierda de la placa redundante.
La función de conmutación en la electroválvula la realiza un convertidor binario electroneumático que ha demostrado su eficacia millones de veces, y que gracias a su bajo consumo, permite el tipo de protección de "seguridad intrínseca" (Ex i). Otros tipos de protección disponibles son el "encapsulado antideflagrante" (Ex d) y el "equipo sin chispas" (Ex n).

Esta configuración muestra un accionamiento neumático con posicionador, finales de carrera y electroválvula para la desaireación segura del accionamiento. En caso de superarse los límites superior o inferior ajustados, la señal del final de carrera activa la electroválvula.
1 Electroválvula – 2 Regulador de presión de alimentación – 3 Válvula de control – 4 Posicionador – 5 Final de carrera
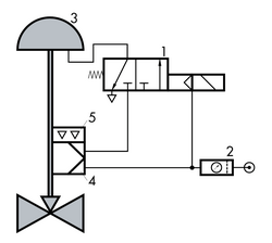
Las aplicaciones todo/nada se pueden llevar a cabo con una electroválvula como único equipo montado en el conjunto de la válvula. Para este esquema de conexión no se necesita una alimentación neumática adicional, ya que la electroválvula se alimenta directamente por la energía auxiliar interna.
1 Electroválvula - 2 Regulador de presión de alimentación - 3 Válvula de control

En combinación con un posicionador, la electroválvula puede ampliar la función de regulación de la válvula de control con una parada de emergencia adicional. Para ello la electroválvula se debe conectar directamente antes del accionamiento.
En caso de fallo la electroválvula mandará desairear el accionamiento y hará que la válvula alcance su posición de seguridad. En aplicaciones de regulación siempre es necesario alimentar la electroválvula externamente con energía auxiliar.
1 Electroválvula – 2 Regulador de presión de alimentación – 3 Válvula de control – 4 Posicionador
Los accesorios completan las válvulas de control neumáticas para ofrecer soluciones a casi cualquier aplicación. Desde hace más de 100 años, SAMSON desarrolla y fabrica válvulas, accionamientos y accesorios de alta calidad. Gracias a nuestra experiencia y competencia, así como a los requerimientos del cliente, ha habido un desarrollo continuo de los componentes individuales y se ha optimizado su interacción.
Aquí encontrará más detalles acerca de los accesorios y su conexión: