
Además de la extensa gama de productos de alta calidad del programa, SAMSON ofrece la ingeniería de la válvula de control completa. Así el cliente se puede beneficiar de nuestra experiencia.
La conexión de los equipos se lleva a cabo según la funcionalidad deseada de la válvula de control. En SAMSON, ya hemos implementado más de 500 configuraciones diferentes que han demostrado su fiabilidad en campo.
Para las aplicaciones estándar los especialistas de SAMSON confían en las configuraciones compactas sin tubeado. El resultado son soluciones optimizadas en función de los costes y el mejor rendimiento de control posible, ya que los tiempos de tránsito de la señal se reducen al mínimo.
Mientras que para las aplicaciones estándar se tiende a construcciones compactas, cuando se trata de requerimientos complejos y en ejecuciones especiales se requiere una fiabilidad absoluta y la mejor interacción entre componentes. Las condiciones, requerimientos y características de los equipos utilizados se combinan para formar conjuntos de válvulas fiables.
Para formar conjuntos que cumplan los requisitos de control, pueden confiar en la amplia gama de productos SAMSON, así como en las herramientas de software específicamente desarrolladas. Estas nos permiten simular los tiempos de recorrido y el comportamiento de regulación de antemano.
Los bancos de prueba donde se verifican las propiedades requeridas en las válvulas montadas completan la experiencia de ingeniería proporcionada por SAMSON.
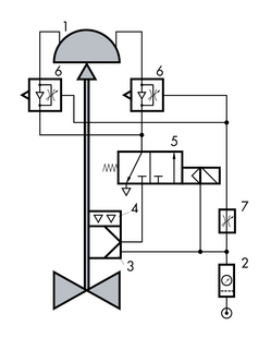
El ejemplo muestra una configuración de válvula de control con función de cierre rápido y posición de bloqueo.
El relé de bloqueo tiene prioridad al ser el último antes del accionamiento. Independientemente de la señal del posicionador y de la posición de la electroválvula el relé de bloqueo mantiene el accionamiento anclado en su última posición, cuando la presión de alimentación disminuye por debajo del valor ajustado.
La regulación rápida en dirección a abrir y cerrar se realiza a través del amplificador de caudal, que amplifica consecuentemente la señal de mando del posicionador. Cuando se utiliza el amplificador de caudal Tipo 3755 la presión de mando que se transmite es exactamente la misma de la señal del posicionador, pero con un caudal mucho mayor.
La función de cierre rápido se lleva a cabo a través de la electroválvula, que en el ejemplo se activa por el amplificador de caudal. El regulador de presión de alimentación garantiza el suministro de una presión de aire constante al conjunto.
1 Accionamiento – 2 Regulador de presión de alimentación – 3 Posicionador – 4 Final de carrera – 5 Electroválvula – 6 Amplificador de caudal – 7 Relé de bloqueo
El ejemplo muestra una configuración de válvula de control con tiempo de cierre ajustable y función de apertura rápida.
Utilizando dos amplificadores de caudal se acelera especialmente el tiempo de apertura de la válvula de control. El tiempo de cierre se puede ajustar dentro de un margen a través de una restricción separada.
La electroválvula activa ambos amplificadores de caudal conectados a continuación y procura la función de apertura rápida. Mientras la electroválvula está energizada la válvula de control regula: el posicionador alimenta ambos amplificadores de caudal con una señal de mando, que se amplifica correspondientemente. El regulador de presión de alimentación procura una presión de aire constante.
1 Accionamiento – 2 Regulador de presión de alimentación – 3 Posicionador – 4 Final de carrera – 5 Electroválvula – 6 Amplificador de caudal – 7 Restricción
Los accesorios completan las válvulas de control neumáticas para ofrecer soluciones a casi cualquier aplicación. Desde hace más de 100 años, SAMSON desarrolla y fabrica válvulas, accionamientos y accesorios de alta calidad. Gracias a nuestra experiencia y competencia, así como a los requerimientos del cliente, ha habido un desarrollo continuo de los componentes individuales y se ha optimizado su interacción.
Aquí encontrará más detalles acerca de los accesorios: